Grey Pneumatic
Grey Pneumatic 10 Piece #5 Spline Drive 6-Point Standard & Deep Length Impact Socket Set (SAE & Metric) 92
Features
Ten (10) of the most popular fractional and metric impact socket sizes for truck wheel fasteners. 6 Point sizes include: 1-1/16; 1-1/8″; 1-1/4″; 35mm and 41mm thin wall deep; 1-1/2″ deep budd; 33mm deep; 4 Point sizes include: 13/16″ square; 17mm and 21mm.
Includes
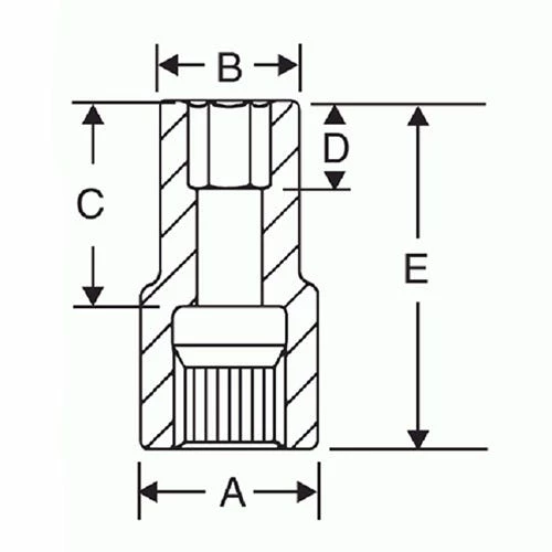
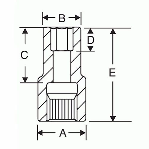
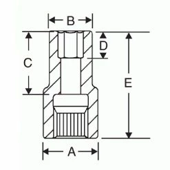
| Item# | Size | A | B | C | D | E |
|---|---|---|---|---|---|---|
| 5033MD | 33mm | 55 | 55 | 78 | 54 | 108 |
| 5034DT | 1-1/16″ | 2.13 | 1.67 | 2.99 | .98 | 4.17 |
| 5035MDT | 35mm | 54 | 51 | 78 | 25 | 108 |
| 5036DT | 1-1/8″ | 2.13 | 1.69 | 2.99 | .98 | 4.17 |
| 5040DT | 1-1/4″ | 2.13 | 1.85 | 2.99 | .98 | 4.17 |
| 5041MDT | 41mm | 57 | 57 | 78 | 25 | 108 |
| 5048DB | 1-1/2″ | 2.36 | 2.36 | 2.83 | .55 | 4.02 |
| 5313S | 13/16″ | 2.17 | 1.73 | .94 | 2.68 | |
| 5317S | 17mm | 55 | 52 | 24 | 77 | |
| 5321S | 21mm | 55 | 52 | 24 | 77 |
“














Reviews
There are no reviews yet.